- Электрооборудование (электросхемы) рено логан 2
- Электрические схемы рено логан 2
- Работа с электропроводкой
- Причины поломки прикуривателя
- Как нужно подключать
- Снятие блок-фары рено логан
- Неисправности и их решение
- Как устроена передняя ходовая?
- Подготовка к работе по ремонту двигателя Reno Logan и краткая информация о ДВС
- Схемы электрооборудования
- Все отлично. Какие есть гарантии?
- Подогрев сидений
- Предохранители и реле Рено Логан 2 (с 2014 года)
- Предохранители и реле Рено Логан (с 2014 года) в моторном отсеке
- Предохранители и реле Реле Логан ( с 2014 года) в салоне (панель приборов)
- Система управления двигателем
- Блок в салоне
- Электросхема renault logan — схема электрооборудования
- Неисправности и их признаки
- Информация, которая выводится борткомпьютером на экран
Электрооборудование (электросхемы) рено логан 2
Предохранители и реле в автомобиле выполняют важные функции. Так предохранители предотвращают перегорание электрической цепи, в случае высокого тока, посредством того, что перегорают сами. Реле же коммутируют высокие токи в защитном кожухе распределительного щитка, что также в разы снижает вероятность возгорания. Сами реле лишь управляются с помощью выключателей и переключателей, которые управляют относительно небольшими токами. Предохранители и реле расположены на Рено Логан в двух местах, в моторном отсеке и в в салоне машины. Именно о расположении, назначении, номинальных характеристиках (ток) реле и предохранителей, мы и расскажем в нашей статье.
Электрические схемы рено логан 2
| Система заряда аккумуляторной батареи для двигателя 1,6 16V К4М |
| Система заряда аккумуляторной батареи для двигателя 1,6 8V К7М |
| Система запуска двигателя, выключатель (замок) зажигания |
| Система управления двигателем 1,6 8V К7М |
| Система управления двигателем 1,6 16V К4М |
| Электровентилятор системы охлаждения двигателя климатическая установка с кондиционером |
| Распределение электропитания |
| Ближний/дальний свет фар |
| Габаритное освещение, фонарь освещения номерного знака |
| Противотуманные фары |
| Задний противотуманный фонарь |
| Фонари света заднего хода |
| Указатели поворота и аварийная сигнализация |
| Сигналы торможения |
| Стеклоочиститель и стеклоомыватель |
| Обогрев заднего стекла |
| Освещение салона и багажного отделения |
| Звуковой сигнал |
| Прикуриватель |
| Электропривод и электрообогрев зеркал |
| Центральная блокировка дверей |
| Задние электростеклоподъемники |
| Передние электростеклоподъемники |
| Иммобилайзер |
| Обогрев передних сидений |
| Климатическая установка с кондиционером |
Работа с электропроводкой
Даже человек без углублённых знаний понимает, что электрическая цепь должна быть замкнута, иначе ток от источника к потребителю просто не будет протекать. В каждой отдельной цепи присутствуют различные элементы: выключатели, предохранители, реле, измерительные приборы и другие всевозможные узлы. Чтобы было несложно разобраться в огромном количестве проводов и правильно с ними работать, контакты отличаются своим обозначением.
Схема Рено Логан требует, прежде всего, правильной работы с ней. Поэтому стоит воспользоваться следующим алгоритмом действий с электросхемой:
Найти в легенде необходимую деталь, к примеру, выключатель вентилятора отопителя.
Обратить внимание на номер и соответствующий путь тока.
Чтобы полноценно разобраться в устройстве электропроводки автомобиля Рено Логан, следует ознакомиться с обозначением узлов и деталей и выучить легенду. Для большего удобства к буквенным обозначениям добавляют числа, а приборы и провода выделяются своим цветом. Реле и электронные устройства часто представлены в сером фоне, а линии показывают внутренние соединения, то есть то, каким образом электрооборудование соединяется друг с другом и с основной платой. В чёрном квадрате написано число, обозначающее место реле на плане и держателей предохранителей. На схеме также отмечены контакты.
Для определения цветов электропроводки автомобиля Рено Логан используются специальные «ключи», которые обознаются на схеме так:
- Синий цвет — bl.
- Коричневый — br.
- Жёлтый — ge.
- Зелёный — gn.
- Серый — gr.
- Красный — ro.
- Чёрный — sw.
- Лиловый — li.
- Белый — ws.
Причины поломки прикуривателя
Прибор может перестать работать из-за разных факторов. Основные причины неисправности прикуривателя Дастер – неправильная эксплуатация устройства или большой возраст, перегорание предохранителя. Распространенные поломки.
- Расшатанное гнездо. Частое подключение в разъем посторонних электроприборов с нестандартным штекером может отогнуть фиксирующие усики, из-за чего контакт пропадает. Ремонт прикуривателя Дастер в этом случае просто осуществить – необходимо вынуть его из патрона, а затем подогнуть зажимы внутри гнезда. Чтобы избежать короткого замыкания, необходимо вытащить предохранитель перед этой процедурой.
- Окислившиеся контакты или налет. Возрастная болезнь. Может появиться также после попадания жидкости на ножки. Из-за этого нарушается целостность цепи, а при запущенных ситуациях есть риск срабатывания предохранителя и короткого замыкания. Отремонтировать прикуриватель просто – достаточно затереть контактные места наждачной бумагой или надфилем, удалив следы посторонних веществ.
- Сгоревший предохранитель. Максимальная сила тока этого сегмента электроцепи равняется 15 ампер. Предельно допустимая мощность подключаемых приборов – 180 Ватт (p=I*A, 180 Ватт = 12 вольт*15 ампер). Из-за короткого замыкания или превышения допустимого показателя этот параметр может выйти за рамки. Чтобы сберечь изоляцию проводки от оплавления, на Дастер из строя выходит предохранитель. Ремонт заключается в том, чтобы добраться до монтажного блока. Далее – поменять сгоревший предохранитель.
- «Коротыш». Если новый предохранитель опять перегорел, то очевидно, что в сети есть короткое замыкание. Выключаем зажигание, а затем измеряем вольтаж аккумуляторной батареи. Включаем зажигание и снова проводим замеры. Разница показателей больше чем 0,5 вольт недопустима – это свидетельство наличия короткого замыкания и срабатывания предохранителя. Следует вооружиться мультитестером и прозвонить все провода, идущие к прибору.
- Отпавшие кабели. От большого возраста или интенсивной эксплуатации провода на прикуривателе Дастер могут перетереться или отпасть в местах пайки. Срабатывает предохранитель. Следует прозвонить все шнуры на предмет сопротивления, а также осмотреть их – есть ли заломы, оголенная проводка или перебитые участки. Разорванные шнуры надо заменить новыми, а отпавшие места пайки пропаять при помощи паяльника и олова.
- Выгоревшая нить накаливания. После долгого температурного воздействия спираль внутри стержня может перегореть, из-за чего устройство перестает функционировать. Необходимо будет снимать прикуриватель Рено Дастер, а после поменять его на новую запчасть.
- Сломанная лампа подсветки. Лампочка, гарантирующая работу светофильтра, может перегореть от возраста или постоянной тряски. Для ее замены потребуется снять прикуриватель, демонтировать фильтр и поменять лампу.
Таким образом, видно, что все электрические цепи проходят именно через блок предохранителей под капотом Рено Дастер, и только после этого, через блок в салоне автомобиля. При перегорании предохранителя, его необходимо заменить, на такой же, чтобы маркировки совпадали.
Рекомендуем: Какой длины дворники на Рено Логан — объясняем досконально
Как нужно подключать

- разрядка аккумулятора;
- искажение чистоты звука;
- сбой в настройках.
Во время стоянки аудиосистема Рено Логан потребляет низкий ток и в результате аккумулятор довольно быстро может разрядиться. При длительной остановке существует высокая вероятность, что двигатель не запустится. Если аккумулятор старый, то случится это может и после ночной стоянки.
При громком прослушивании музыки появляется достаточно сильное искажение самого звукового сигнала.
При высокой громкости штатная магнитола и вовсе может выключаться. А при этом происходит потеря всех настроек.
Вышеперечисленные проблемы возникают в процессе установки. Некомпетентные мастера подключают магнитолу к прикуривателю. Это в корне неверно.
Подключение питания требует максимум внимания. Именно на этом этапе и происходит самое большое количество ошибок. Питание осуществляется по трем проводам: черный, красный, желтый.

Желтый — силовой плюс, от него питаются усилители устройства. Он служит для сохранения настроек магнитолы. В идеале должен иметь сечение от четырех до шести миллиметров в квадрате и через предохранитель присоединятся к плюсовой клемме аккумуляторной батареи. Присоединение к аккумулятору является обязательным для силового провода. Не стоит забывать, что предохранители должны располагаться как можно ближе к клемме батареи.
Красный — провод управления включения магнитолы. Если на нем нет постоянного плюса, то по желтому проводу питание на динамики магнитолы не подается, а если и подается, то в минимальных объемах для сохранения настроек. При появлении постоянного плюса устройство включается. Существует два варианта включения красного провода:
- он подключается к замку зажигания в положении «аксессуары» и поэтому при повороте ключа штатная магнитола включается, без ключа музыку не запустить;
- система присоединена через кнопку к любому постоянному плюсу.
В данном случае подойдет тот же прикуриватель, поскольку потребление минимально и на работе устройства это никак не отразится.
Снятие блок-фары рено логан
Блок-фару снимаем для замены. Снимаем передний бампер (см. «Снятие переднего бампера»). Отсоединяем колодки проводов от лампы блок-фары (см. «Замена ламп в блок-фаре»).
Головкой «на 10» отворачиваем три болта крепления блок-фары к кузову.
Стягиваем защитный резиновый чехол с корпуса исполнительного механизма регулятора направления пучков света фар. Потянув за трос привода, выводим оболочку троса из держателя на корпусе исполнительного механизма…
…и отсоединяем наконечник троса от штока исполнительного механизма регулятора направления пучков света фар.
Снимаем блок-фару. Устанавливаем блок-фару в обратной последовательности. После установки фары регулируем направление пучка света фары.
Для изменения направления светового пучка фары в вертикальной плоскости вращаем шестигранником «на 6» винт А (см. предыдущее фото), вставив шестигранник через отверстие в поперечине кузова. Для изменения направления светового пучка фары в горизонтальной плоскости вращаем ручку В.
Неисправности и их решение
Появление периодических хрипов при работе указывает на окисление или разрушение контактов на динамиках или магнитоле, которые требуется заменить. Владельцы машин Логан часто сталкиваются с ситуацией, когда одновременно не работают магнитола и прикуриватель. Причиной является вышедший из строя общий предохранитель, рассчитанный на ток 10 А. Плавкая вставка размещена в монтажном блоке, установленном внутри панели приборов.
Еще одной причиной одновременного отказа головного устройства и вентилятора системы микроклимата является разрушение 2 колодок под предохранители, идущих от замка зажигания. При этом оборудование может работать несколько минут, потом выключаться, а затем вновь активизироваться. Ремонт заключается в замене изношенных деталей. Если дефект не пропал, то неисправен контроллер управления электрикой автомобиля, размещенный внутри панели приборов около ног водителя.
Как устроена передняя ходовая?
Передняя подвеска семейного Рено Логан реализована в конструктивном плане на общеизвестной модели McPherson. Основа ее структуры — это объединенные в единые стойки амортизаторы и пружины. Поперечными рычагами служат штампованные треугольные конструкции, которые крепятся к поворотному кулаку посредством шаровой опоры и к подрамнику – кронштейнами с сайлентблоками.
Для удерживания автомобиля Рено Логан от кренов на дороге служит поперечный стабилизатор, представленный металлической штангой, которая посредством собственных стоек опирается на другие элементы ходовой. Непосредственный контакт стабилизатора с подрамником происходит через втулки. Такое устройство подвески.
Подготовка к работе по ремонту двигателя Reno Logan и краткая информация о ДВС
Двигатель Renault K7M 710/800 1.6 8V
Характеристики двигателя Рено Логан 1.6
Производство — Automobile Dacia Годы выпуска – K7M 710 (2004 – 2010), K7M 800 (2010 – наше время) МаркаТип двигателя Рено Логан — K7M Материал блока цилиндров – чугун Система питания – инжектор Тип – рядный Количество цилиндров – 4 Клапанов на цилиндр – 2 Ход поршня – 80,5 мм Диаметр цилиндра – 79,5 мм Степень сжатия – 9,5 Объем двигателя – 1598 см. куб. Мощность – 86 л.с. /5500 об.мин Крутящий момент – 128Нм/3000 об.мин Топливо – 92 Экологические нормы – Евро 3 Расход топлива — город 10 л. | трасса 5,8 л. | смешанн. 7,2 л/100 км Расход масла – до 0,5 л/1000 км Масло в двигатель Рено Логан: 5W-40 5W-30 Масло менять раз в 7500 км.
Моторесурс двигателя Логан 1.6 : 1. По данным завода – 400 тыс (неофициально, по испытаниям завода) 2. На практике – 400+ тыс. км
ТЮНИНГ Потенциал – неизвестно Без потери ресурса – неизвестно
Двигатель устанавливался на: Renault Logan Renault Sandero Lada Largus
Неисправности и ремонт двигателя Рено Логан/Сандеро 1.6 K7M
Двигатель Renault Logan K7M 710 1,6 л. 86 л.с. не что иное как обычный K7J 1,4 л, только с увеличенным ходом поршня(с 70 до 80,5 мм), само собой высота блока чуть увеличилась, сцепление большего диаметра, увеличился маховик и изменилась форма картера КПП . Конструктивно двигатель Логана 1.6 л, как и его малообъемный собрат, имеет все ту же архаичную конструкцию середины прошлого века с коромыслами и странной системой привода масляного насоса от нижневальных рено моторов 60-х годов. Несмотря ни на что, при аккуратном отношении к мотору, сервису и обслуживанию, замене масла в 2 раза чаще чем по инструкции, он очень и очень надежный, по внутрезаводским данным ресурс двигателя Логана 1.6 около 400 тыс. км, на практике движок проезжал чуть больше. В 2010 году K7M 710 заменили на K7M 800, моторчик придушили, подтянули к экологической норме Евро-4, мощность снизилась до 83 л.с, конструктивных изменений не произошло. Минусы у K7M те же, что и у двигателя K7J 1.4, высокий расход топлива, часто на холостом ходу начинают плавать обороты, постоянно( раз в 20-30 тыс.км) нужно регулировать клапана, гидрокомпенсаторов как не было так и нет, привод ГРМ ременной, при обрыве ремня у логана 1.6 гнет клапана, поэтому раз в 60 тыс.км меняем ремень. Все те же течи сальника коленвала. Мотор шумный, присутствуют вибрации. По устройству двигателя рено логан 1.6 и где находится номер двигателя, информация изложена в статье «мотор K7J«, который кроме объема и сопутствующих изменений, других изменений не имеет. Там же описаны все неисправности и причины их возникновения. Говоря о том, какой двигатель на Рено Логан лучше 1.4 или 1.6 8 клапанные, берите 1.6… мотор один и тот же, но малообъемник совсем уж слабый. Так же на базе К7М был создан двигатель К4М с 16 клапанной ГБЦ и другими значимыми нововведениями, мощность такого мотора существенно выше и в случае выбора(например Логана, Сандеро), всегда берите его, не пожалеете.
Тюнинг двигателя Renault Logan К7М 1.6
Чип тюнинг двигателя Рено Логан
Двигатель Logan K7M 800 можно убрать катализатор, вернуть его изначальную мощность 86 л.с., поставить выхлоп и прошить спорт прошивкой, может еще пару лошадей и добавите, но ничего существенно не изменится, кроме расхода топлива, теперь ваш мотор будет жрать побольше ))
Компрессор и турбина на Логан 1.6
Установка турбонаддува и компрессора, описана ЗДЕСЬ на примере 1.4 литрового движка и все это 1 в 1 применимо на 1.6 л. Мощность двигателя Логан 1.6 будет в среднем на 5-10 л.с. больше при аналогичном подходе. Забегая вперед… достигнуть большой мощности у вас не получится.
РЕЙТИНГ ДВИГАТЕЛЯ: 3+
Причиной кап. ремонта стал повышенный расход топлива — 10-11 л. по трассе и до 14 л. по городу, повышенный расход масла, сильный масляный нагар на свече 1-го цилиндра. Замер компрессии: 10-8-8-9 (мало!).
Взято с wikimotors.ru
Схемы электрооборудования
Чтобы читать электрические схемы, нужно знать условные обозначения узлов и деталей, а также важнейшие графические условные обозначения. В случае необходимости увеличения рисунка электросхемы — щёлкните по изображению.
Все схемы предоставляются абсолютно бесплатно и без регистрации.
Схема электропривода зеркал Renault Logan 1 — блок предохранителей в салоне; 2 — блок управления наружными зеркалами заднего вида; 3 — электропривод левого наружного зеркала заднего вида с обогревом; 4 — электропривод правого наружного зеркала заднего вида с обогревом.
Схема электропривода зеркал Renault Logan 1 — блок предохранителей в салоне; 2 — блок управления наружными зеркалами заднего вида; 3 — электропривод левого наружного зеркала заднего вида с обогревом; 4 — электропривод правого наружного зеркала заднего вида с обогревом. Реле же коммутируют высокие токи в защитном кожухе распределительного щитка, что также в разы снижает вероятность возгорания.
Внизу цепь тока оканчивается горизонтальной линией, которая символизирует присоединение к корпусу. Выберете из списка справа нужную Вам электросхему.
Присоединение к корпусу обычно осуществляется непосредственно через кузов или через провод, который соединяется с кузовом.
Тормозные механизмы передних колес дисковые, с плавающей скобой. Реле же коммутируют высокие токи в защитном кожухе распределительного щитка, что также в разы снижает вероятность возгорания.
Причина почему не заводится рено Логан, Сандеро, Ларгус, Логан2 часть2
Все отлично. Какие есть гарантии?
Ста процентная гарантия доставки курса в идеальном состоянии . Когда есть желание сделать заказ курса, используя предоплату и думает, что курс могут доставить в поврежденным, то можно уверенно отбросить все сомнения. Диск имеет двойную защиту от действий с внешней стороны и жестко зафиксирован внутри бокса. Но даже когда по какой-либо неожиданный причине курс будет доставлен в ненадлежащем виде, просто стоит сообщить про это, и будет выслан курс еще раз. Можно дать оценку качестве информации непременно теперь и просмотреть шесть уроков из курса. Даром. Для этого перейти по этой ссылке. ввести свои данные ящик и пошлют ссылку для просмотра бесплатного материала.
Подогрев сидений
Для установки подогрева сидения необходимо заранее приобрести специальную соответствующую кнопку Renault, а также универсальную систему подогрева (от прикуривателя).
Для начала необходимо разметить отверстие под кнопку нужного размера. Затем необходимо прикрепить кнопку с задней стороны накладки салазок. Для этого понадобятся пластмассовые пластины разного размера (для укрепления кнопки), клей и фантазия.
В кнопке имеется подсветка. Индикация работает при выключенном подогреве, а при включенном подсветка не горит. Питание проводим к прикуривателю
Таким образом, система подогрева будет работать только при заведенном двигателе, что является некой мерой предосторожности против возгорания и посадки аккумуляторной батареи
Накладку подогрева следует поместить под обивку сидения. Для этого обивку необходимо снять полностью, дабы избежать складок и всё имело аккуратный вид. Провода под сидением нужно закрепить таким образом, чтобы ничего не попадало в механизм салазок. Далее на заключительном этапе устанавливаем заранее подготовленный разъём в предусмотренном месте. Осталось завести мотор, включить кнопку и проверить, как всё работает.

Кнопка подогрева сидений Renault Logan 2
Предохранители и реле Рено Логан 2 (с 2014 года)
ПодробностиРодительская категория: Устройство и ремонт Рено Логан
Предохранители и реле в автомобиле выполняют важные функции. Так предохранители предотвращают перегорание электрической цепи, в случае высокого тока, посредством того, что перегорают сами.
Реле же коммутируют высокие токи в защитном кожухе распределительного щитка, что также в разы снижает вероятность возгорания. Сами реле лишь управляются с помощью выключателей и переключателей, которые управляют относительно небольшими токами. Предохранители и реле расположены на Рено Логан в двух местах, в моторном отсеке и в в салоне машины.
Именно о расположении, назначении, номинальных характеристиках (ток) реле и предохранителей, мы и расскажем в нашей статье.
Предохранители и реле Рено Логан (с 2014 года) в моторном отсеке
Монтажный блок расположен слева, под крышкой. Для того чтобы снять крышку отогните клипсы и поднимите ее вверх.
Перед вами предстанет примерно следующая картина.
Далее мы в соответствии с обозначениями на картинке и расположением, привели информацию о предохранителях и реле согласно их функционального назначения.
| Большинство предохранителей установлено в монтажном блоке предохранителей в салоне , (крышка блока в панели приборов снята), расположенном в левом торце панели приборов под пластиковой крышкой. Цепи, защищаемые предохранителями (показаны на фото), приведены в таблице |
| Таблица: Цепи, защищаемые плавкими предохранителями |
| Кроме того, реле и предохранители расположены в монтажном блоке в подкапотном пространстве (крышка монтажного блока снята). В табл. 10.2 указаны обозначения блоков и назначение установленных реле и предохранителей. Следует иметь в виду, что на конкретной модели автомобиля могут отсутствовать некоторые цепи, указанные в таблице, и различаться положения блоков. |
1-й вариант расположения предохранителей в моторном отсеке
| 10.2б. Номера реле и предохранителей в монтажном блоке, расположенном в моторном отсеке (левая часть) |
| 10.2a. Номера реле и предохранителей в монтажном блоке, расположенном в моторном отсеке (правая часть) |
таблица 10.2
2-й вариант расположения
Реле:
Замена предохранителей
№ Ef- предохранитель, Er-реле
Сила тока, А (номинал)
Питаемая цепь
Ef1
40
Правый элемент обогрева ветрового стекла
Ef2
40
Левый элемент обогрева ветрового стекла
Ef3
50
ABS/ESP
Ef4
60
иммобилайзер, цепь питания предохранителей в салоне F28-F31
Ef5
60
Питание цепей предохранителей в салоне F11, F23-F27, F34 и F39
Ef6
30
ABS/ESP
Ef7
30
обогрев заднего стекла и зеркал
Ef8
15
противотуманные фары передние
Ef9
15
обогрев сидений
Ef10
15
муфта кондиционера (комплектация с кондиционером)
25
первая скорость электровентилятора (комплектация без кондиционера )
Ef11
25
предохранитель для реле системы управления двигателем
Ef12
40
электровентилятор системы охлаждения
Ef13
15
система управления двигателем
Er1
35
реле левого обогрева стекла
Er2
35
реле правого обогрева стекла
Er3
20
реле топливного насоса
Er4
20
реле компрессора кондиционера или первой скорости электровентилятора (в зависимости от комплектации)
Er5
35
реле управления двигателем
Предохранители и реле Реле Логан ( с 2014 года) в салоне (панель приборов)
Также часть предохранителей и реле находятся в салоне на панели приборов. Установлены они с торца слева. Снимая крышку, вы увидите следующее…
Далее приведено наименование и обозначение и расположение предохранителей согласно их применения.
| F1 | 30 | электростеклоподъемники передние |
| F2 | 10 | дальний свет левая фара |
| F3 | 10 | дальний свет правая фара |
| F4 | 10 | ближний свет левая фара |
| F5 | 10 | дальний свет правая фара |
| F6 | 5 | задние габариты, подсветка номера, подсветка |
| F7 | 5 | передние габариты |
| F8 | 30 | электростеклоподъемники задние |
| F9 | 7.5 | задний противотуманный фонарь |
| F10 | 15 | звуковой сигнал |
| F11 | 20 | центральный замок |
| F12 | 3 | ABS/ESP |
| F13 | 10 | освещение салона, климатическая установка |
| F14 | 5 | датчик угла поворота руля |
| F15 | 15 | стеклоомыватель, парковочный радар, фонарь заднего хода |
| F16 | 5 | аудиосистема, обогрев стекла, ограничитель скорости |
| F17 | 7.5 | ДХО |
| F18 | 7.5 | стоп сигнал |
| F19 | 5 | система управления |
| F20 | 5 | подушки безопасности |
| F21 | — | резерв |
| F22 | 5 | резерв |
| F23 | — | резерв |
| F24 | 15 | указатель поворота |
| F25 | 10 | противоугонная система |
| F26 | 15 | блок управления электрооборудованием |
| F27 | 20 | подрулевые выключатели (вход на ближний свет) |
| F28 | — | резерв |
| F29 | 25 | подрулевые выключатели (вход на дальний свет) |
| F30 | — | резерв |
| F31 | 10 | щиток приборов |
| F32 | 7,5 | аудиосистема |
| F33 | 15 | прикуриватель |
| F34 | 15 | диагностический разъем |
| F35 | 5 | обогрев наружных зеркал |
| F36 | 5 | привод зеркал |
| F37 | 30 | стартер |
| F38 | 30 | стеклоочиститель |
| F39 | 40 | кондиционер |
| R1 | 35 | реле кондиционера |
| R2 | 35 | реле заднего обогрева стекла |
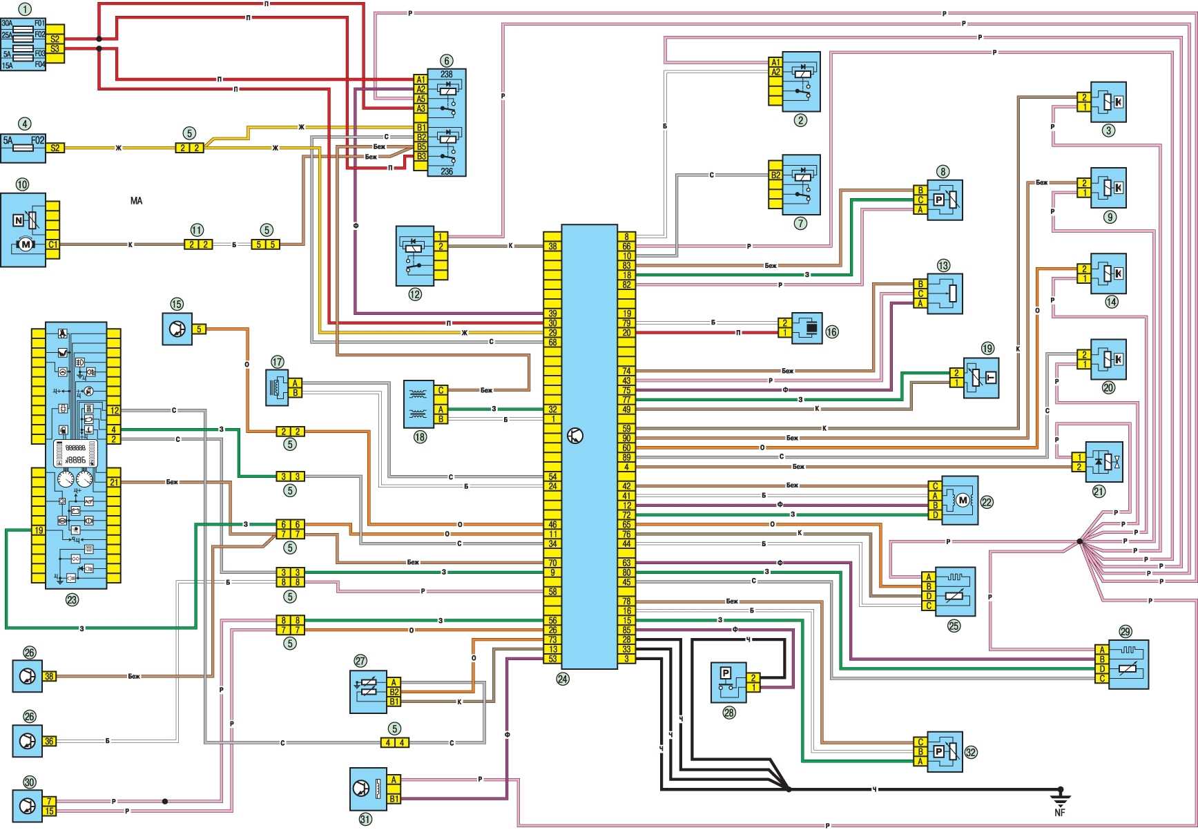
Система управления двигателем
Схема 3. 1 – блок предохранителей 597В в моторном отсеке; 2- блок реле 784 в моторном отсеке, реле 700; 3- форсунка 1-го цилиндра; 4- блок предохранителей в салоне; 5- разъем электропроводки моторного отсека/салона (моноблок); 6- блок реле 1047 в моторном отсеке, реле 236 и 238; 7 – блок реле 784 в моторном отсеке, реле 474;
8-датчик давления хладагента (автомобили с системой кондиционирования); 9- форсунка 2-го цилиндра; 10 – топливный насос и датчик уровня топлива: 11 – разъем электропроводки панели приборов/левой задней части кузова; 12- блок реле в моторном отсеке, реле 234; 13-датчик положения дроссельной заслонки;
14 – форсунка 3-го цилиндра; 15- панель управления системой кондиционирования; 16-датчик детонации; 17-датчик положения коленчатого вала; 18- модуль зажигания; 19-датчик температуры воздуха; 20 – форсунка 4-го цилиндра; 21 – адсорбер; 22 – шаговый электродвигатель регулятора холостого хода; 23 – комбинация приборов; 24 – ЭБУ;
25 – диагностический датчик концентрации кислорода (лямбда-зонд); 26 – коммутационный блок салона; 27 – датчик температуры охлаждающей жидкости; 28 – реле давления системы рулевого управления с гидроусилителем; 29 – датчик концентрации кислорода (лямбда-зонд) системы управления двигателем; 30 – диагностический разъем; 31 – датчик скорости; 32 – датчик абсолютного давления во впускной трубе.
Блок в салоне
Так же как и у 1 го поколения данный блок установлен в торце слева.
Схема
Назначение
| F1 | 30А электро стекло подъемники передние |
| F2 | 10А дальний свет левая фара |
| F3 | 10А дальний свет правая фара |
| F4 | 10А ближний свет левая фара |
| F5 | 10А дальний свет правая фара |
| F6 | 5А задние габариты, подсветка номера, подсветка |
| F7 | 5А передние габариты |
| F8 | 30А электро стекло подъемники задние |
| F9 | 7,5А задний противотуманный фонарь |
| F10 | 15А звуковой сигнал |
| F11 | 20А центральный замок |
| F12 | 3А ABS/ESP |
| F13 | 10А освещение салона, климатическая установка |
| F14 | 5А датчик угла поворота руля |
| F15 | 15А стекло омыватель, парковочный радар, фонарь заднего хода |
| F16 | 5А аудиосистема, обогрев стекла, ограничитель скорости |
| F17 | 7,5А ДХО |
| F18 | 7,5А стоп сигнал |
| F19 | 5А система управления |
| F20 | 5А подушки безопасности |
| F21 | 7,5А лампы заднего хода, блок управления АМТ |
| F22 | 5А электро насос гидроусилителя рулевого управления |
| F23 | резерв |
| F24 | 15А указатель поворота |
| F25 | 10А противоугонная система |
| F26 | 15А блок управления электрооборудованием |
| F27 | 20А подрулевые выключатели (вход на ближний свет) |
| F28 | резерв |
| F29 | 25А подрулевые выключатели (вход на дальний свет) |
| F30 | резерв |
| F31 | 10A щиток приборов |
| F32 | 7.5A аудиосистема |
| F33 | 15A прикуриватель |
| F34 | 15A диагностический разъем |
| F35 | 5A обогрев наружных зеркал |
| F36 | 5A привод зеркал |
| F37 | 30A стартер |
| F38 | 30A стеклоочиститель |
| F39 | 40A кондиционер |
| R1 | 35A реле кондиционера |
| R2 | 35A реле заднего обогрева стекла |
По данной статье мы так же подготовили видео материал у себя на канале. Заходите и подписывайтесь!
Электросхема renault logan — схема электрооборудования
Продолжение сборника электросхем для автомобиля Renault Logan. Все схемы предоставляются абсолютно бесплатно и без регистрации. Для увеличения — кликните на картинке. В этой части вы найдёте схемы таких модулей, как электропривод зеркал, противотуманные фары, электростеклоподъемники передних дверей, электровентилятор системы отопления и вентиляции салона и другие.
Схема электропривода зеркалRenault Logan
1 — блок предохранителей в салоне; 2 — блок управления наружными зеркалами заднего вида; 3 — электропривод левого наружного зеркала заднего вида с обогревом; 4 — электропривод правого наружного зеркала заднего вида с обогревом.
Ближний свет — схема
1 — блок предохранителей 597А в моторном отсеке; 2 — рычаг переключателя наружного освещения и указателей поворота с кнопкой включения звукового сигнала; 3 — блок предохранителей в салоне; 4 — правая передняя фара; 5 — левая передняя фара; 6 — комбинация приборов.
Электростеклоподъемники передних дверейRenault Logan
1 — выключатель электростеклоподъемников передней пассажирской двери; 2 — электродвигатель стеклоподъемника передней пассажирской двери; 3 — электродвигатель стеклоподъемника двери водителя; 4 — блок предохранителей в салоне; 5 — импульсный выключатель электростеклоподъемников двери водителя.
Электровентилятор системы отопления и вентиляции салонаRenault
1 — блок предохранителей в салоне; 2 — реле 233; 3 — разъем электропроводки моторного отсека/салона (моноблок); 4 — электровентилятор системы отопления и вентиляции; 5 — блок реле 784 в моторном отсеке; 6 — диод кондиционера и усилителя рулевого управления; 7 — электромагнитная муфта компрессора кондиционера; 8 — ЭБУ; 9 — блок управления системой отопления и вентиляции салона.
Электросхема звукового сигнала
1 — рычаг переключателя наружного освещения и указателей поворота с кнопкой включения звукового сигнала; 2 — блок предохранителей в салоне; 3 — звуковой сигнал Рено.
Схема центральной блокировки замков
1 — коммутационный блок салона; 2 — разьем электропроводки панели приборов/левой задней части кузова; 3 — электропривод замка правой задней двери; 4 — электропривод замка левой задней двери; 5 — электропривод замка правой передней двери; 6 — электропривод замка двери водителя; 7 — выключатель системы центральной блокировки замков; 8 — блок предохранителей в салоне.
Система управления ABS
1 — блок предохранителей в салоне; 2 — блок предохранителей 597С в моторном отсеке; 3 — ЭБУ ABS; 4 — разъем электропроводки панели приборов/левой задней части кузова; 5 — датчик скорости вращения правого заднего колеса; 6 — датчик скорости вращения левого заднего колеса; 7 — датчик скорости вращения левого переднего колеса; 8 — датчик скорости вращения правого переднего колеса; 9 — выключатель стоп-сигналов; 10 — диагностический разьем; 11 — комбинация приборов.
Очиститель и омыватель ветрового стекла, омыватель фар — схемы электрооборудования
1 — насос омывателя ветрового стекла; 2 — комбинация приборов; 3 — коммутационный блок салона; 4 — электродвигатель очистителя ветрового стекла; 5 — рычаг переключателя очистителя и омывателя ветрового стекла с кнопкой переключения режимов отображения бортового компьютера; 6 — блок предохранителей в салоне; 7 — блок реле 299 в моторном отсеке.
Освещения салонаRenault Logan
1 — коммутационный блок салона; 2 — разъем электропроводки панели приборов/левой задней части кузова; 3 — плафон освещения салона; 4 — концевой выключатель двери водителя; 5 — концевой выключатель правой передней двери; 6 — концевой выключатель правой задней двери; 7 — концевой выключатель левой задней двери.
Подключение динамиков акустической системы автомобиля
1 — автомагнитола; 2 — разъем электропроводки моторного отсека/салона (моноблок); 3 — блок предохранителей в салоне; 4 — прикуриватель; 5 — датчик скорости автомобиля; 6 — правый передний динамик; 7 — правый задний динамик; 8 — левый задний динамик; 9 — левый передний динамик; 10 — разъем электропроводки панели приборов/левой задней части кузова.
Задние противотуманные фонариRenault Logan
1 — блок предохранителей 597А в моторном отсеке; 2 — рычаг переключателя наружного освещения и указателей поворота с кнопкой включения звукового сигнала; 3 — блок предохранителей в салоне; 4 — левый задний фонарь.
РЕМОНТ АВТОЭЛЕКТРОНИКИ ЗАРЯДНЫЕ УСТРОЙСТВА ДЛЯ АКБ
Неисправности и их признаки
Подвеска Логана Ходовая Рено Логан достаточно надежна, но не вечна. К возможным неисправностям относятся:
- Поломка опорных подшипников и треск при вращении рулевого колеса, стоя на месте.
- Повреждение или износ амортизаторных стоек. Раскачивание машины на неровностях, при торможении и в поворотах.
- Проседание пружин или обламывание витков. При этом уменьшается дорожный просвет, ухудшается курсовая устойчивость и появляются вибрации.
- Износ рулевых наконечников. Автомобиль начинает «рыскать» при движении по прямой, а на скорости на руле возникают вибрации.
- Износ шаровой. При преодолении неровностей ходовая стучит.
- Повреждение или деформация подрамника, рычага, стабилизатора поперечной устойчивости. При движении машина уходит в сторону.
- Износ деталей крепления штанги и износ втулок стабилизатора. В поворотах возникают крены кузова и нарушается курсовая устойчивость.
- Износ сайлентблоков. На неровностях слышны посторонние звуки от подвески.
- Износ ступичного подшипника – возникает гул, нарастающий при наборе скорости.
- Негодность шарнира равных угловых скоростей. Вы услышите треск при повороте колес в стороны.
- Разбалансировка колес. На скорости возникают вибрации.
Не забывайте, что внешние признаки – это косвенные показатели неисправности ходовой Рено Логан. Признаки износа ШРУСов и ступичных подшипников позволяют с высокой вероятностью определить причину, то понять, откуда именно возникает стук, иногда очень трудно.
Информация, которая выводится борткомпьютером на экран
Что касается перечня данных, которые демонстрируются на дисплее, то это это информация, которая поступает от борткомпьютера в виде:
- демонстрации дневного пробега с предельными показаниями до до 1 тыс. км., а если быть точными, то вплоть до 999,9 преодоленных Логаном 2 километров;
- индикации актуального времени или отображения часов в формате 24 часов в сутках;
- общий литраж, потребленного топлива или расход горючего после крайнего обнуления;
- средний расход топлива. Эта информация является приблизительной, если пробег менее 500 км. Более точные данные среднего расхода отображаются на дисплее при достижении отметки более 500 км и вплоть до максимального параметра учета дневного пробега, а именно 999, 9 км;
- расстояния до момента окончания топлива. Этот параметр автоматически рассчитывается, а также постоянно обновляется в процессе движения транспортного средства;
- данные средней скорости после того, как был сделан крайний сброс этой информации;
- данные наружной температуры;
- отображение кодов ошибок относительно возможных неисправностей тех или иных систем и агрегатов Логан 2.































